Material de filtración de la piscina y equipamiento del local técnico
Filtros para piscinas
Prefiltro Waterco Multicyclone Prefiltro Waterco Multicyclone
El prefiltro multicyclone se instala cómodamente en la salida de su bomba de filtración, antes del filtro de su piscina. Es compatible con todos los tipos de filtración (cartucho, diatomeas, arena...).
Ventajas :
- sin piezas de desgaste.
- sin ningún elemento filtrante a limpiar o a sustituir.
- reducción de la frecuencia del contra lavado de su filtro.
- prolonga la longevidad del medio filtrante (cartucho por ejemplo)
- ahorre hasta 5000 litros de agua al año.
YouTube condiciona la reproducción de sus videos al depósito de rastreadores para poder ofrecerle publicidad dirigida en función de su navegación.
Al hacer clic en "Autorizo" se depositarán los plotters y podrás ver el video. Tiene la opción de retirar su consentimiento en cualquier momento.
Para más información visite la política de cookies de YouTube
.
Principio de funcionamiento :
El agua pasa por 16 hidrociclones que generan un efecto centrífugo.
Los sedimentos son expulsados contra las paredes por el efecto centrífugo y caen sobre el recipiente de sedimentos.
La acumulación de sedimentos es visible a través de la pared transparente del recipiente de sedimentos. Su limpieza se realiza cómodamente, abriendo su válvula.
Solamente serán expulsados 15 litros de agua.
Poder filtrante:
El MultiCyclone retiene 70% de las partículas de 50 a 80 micras y 100% de las partículas de más de 100 micras
Funciona con los caudales de 3m3/h a 30m3/h
;
]

zócalo de soporte opcional


1. Rácor de unión 50mm
2. Salida
3. Anti rayos UV y anticorrosivo
4. Diseño hidráulico
5. Vidrio reforzado de termoplástico
6. 16 hidrociclones
7. Anillo de cierre
8. Recipiente de sedimentos
9. Entrada
10. Válvula de desagüe 25mm

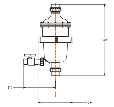
dimensiones en mm

1 : bomba de filtración
2 : Prefiltro Multicyclone
3 : filtro

Garantía
2 años
Para el transporte, pida presupuesto.
Precio con IVA incluido.
Solicitud de presupuesto gratuito prefiltro waterco multicyclone
¿Desea recibir un presupuesto para el artículo? : Prefiltro Waterco Multicyclone
Al precio de 401 eur IVA incluido.
Le rogamos complete correctamente el siguiente formulario. Su solicitud será tratada en breve por nuestro servicio comercial.
Llamada gratuita en España
De lunes a viernes, desde las 9h. hasta las 18h.












