Limpiafondos para piscinas
Limpiafondos hidráulicos para piscinas
Bomba de sobrepresión para limpiafondos Boost-Rite Bomba de sobrepresión para limpiafondos Boost-Rite
La bomba de sobrepresión Boost-Rite está fabricada por STA-RITE, reconocido mundialmente por su fiabilidad y las prestaciones de sus equipos para piscinas.
Esta bomba de sobrepresión multicelular ha sido específicamente diseñada para responder a las necesidades de los limpiafondos hidráulicos por presión.
Solidez y resistencia a la sal, es compatible con todos los limpiadores por presión.
Motor cerrado con ventilación exterior.
Posibilidad de funcionamiento permanente.
Protección térmica IP44.
Eje de Acero Inoxidable 304.
Carrocería mecánica de cerámica/teflón/Acero Inoxidable
Rotación de 2850 giros por minuto.
Presión máxima de funcionamiento: 7 bars
Cuerpo de PP reforzado con fibra de vidrio, resistente a la corrosión.
4 turbinas para el modelo de 1 CV.
5 turbinas para el modelo de 4 CV.

Diagrama de instalación de la bomba de sobrepresión


Esta bomba de sobrepresión multicelular ha sido específicamente diseñada para responder a las necesidades de los limpiafondos hidráulicos por presión.
Solidez y resistencia a la sal, es compatible con todos los limpiadores por presión.
Motor cerrado con ventilación exterior.
Posibilidad de funcionamiento permanente.
Protección térmica IP44.
Eje de Acero Inoxidable 304.
Carrocería mecánica de cerámica/teflón/Acero Inoxidable
Rotación de 2850 giros por minuto.
Presión máxima de funcionamiento: 7 bars
Cuerpo de PP reforzado con fibra de vidrio, resistente a la corrosión.
4 turbinas para el modelo de 1 CV.
5 turbinas para el modelo de 4 CV.

Diagrama de instalación de la bomba de sobrepresión
1. Válvula multi-vías
2. Filtro de arena
3. Bomba de filtración
4. Pre-filtro de la bomba
5. Bomba de sobrepresión BOOST-RITE
6. Línea de aspiración skimmer
7. Línea de aspiración sumidero
8. Toma de expulsión de sobrepresión
9. Boquilla de expulsión
10. Caja de control
11. Limpiador automático
2. Filtro de arena
3. Bomba de filtración
4. Pre-filtro de la bomba
5. Bomba de sobrepresión BOOST-RITE
6. Línea de aspiración skimmer
7. Línea de aspiración sumidero
8. Toma de expulsión de sobrepresión
9. Boquilla de expulsión
10. Caja de control
11. Limpiador automático
Características Técnicas de la bomba de sobrepresión especial para limpiafondos Boost-Rite.
Temperatura máxima del agua
+50°C
Contención máxima de sal en el agua
0,4%
Gama de pH
de pH 4 a pH 9
Presión máxima de funcionamiento
7 bars
Tipo de protección
IP44
Categoría de aislamiento
F
Giros por minuto
2850
Nivel máximo de ruido
75 dB(A)
Voltaje
220-240V monofásico
Entrada/Salida
1" (32mm)
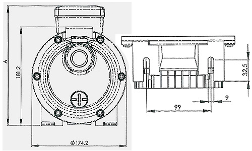
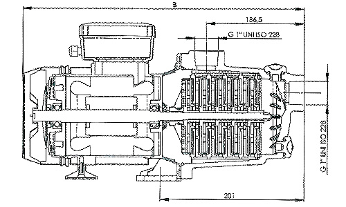
Dimensiones de la bomba de sobrepresión especial para limpiafondos Boost-Rite.


| Modelo | A (mm) | B (mm) |
| Boost-Rite 1 CV monofásica | 185 | 370 |
| Boost-Rite 1.5 CV monofásica | 190 | 385 |
Garantía
2 años
Para el transporte, pida presupuesto.
Fotos no contractuales
Precio con IVA incluido.
Precio con IVA incluido.
Solicitud de presupuesto gratuito bomba de sobrepresión para limpiafondos boost-rite
¿Desea recibir un presupuesto para el artículo? : Bomba de sobrepresión para limpiafondos Boost-Rite
Al precio de 259.49 eur IVA incluido.
Le rogamos complete correctamente el siguiente formulario. Su solicitud será tratada en breve por nuestro servicio comercial.
Llamada gratuita en España
De lunes a viernes, desde las 9h. hasta las 18h.
Solicitud de recambios
Busca un recambio para el artículo «Bomba de sobrepresión para limpiafondos Boost-Rite» ?
Haga Clic en el siguiente botón. Su solicitud será tratada en breve por nuestro servicio comercial.











